全国客服电话
您现在的位置:首页 > > Environmental information
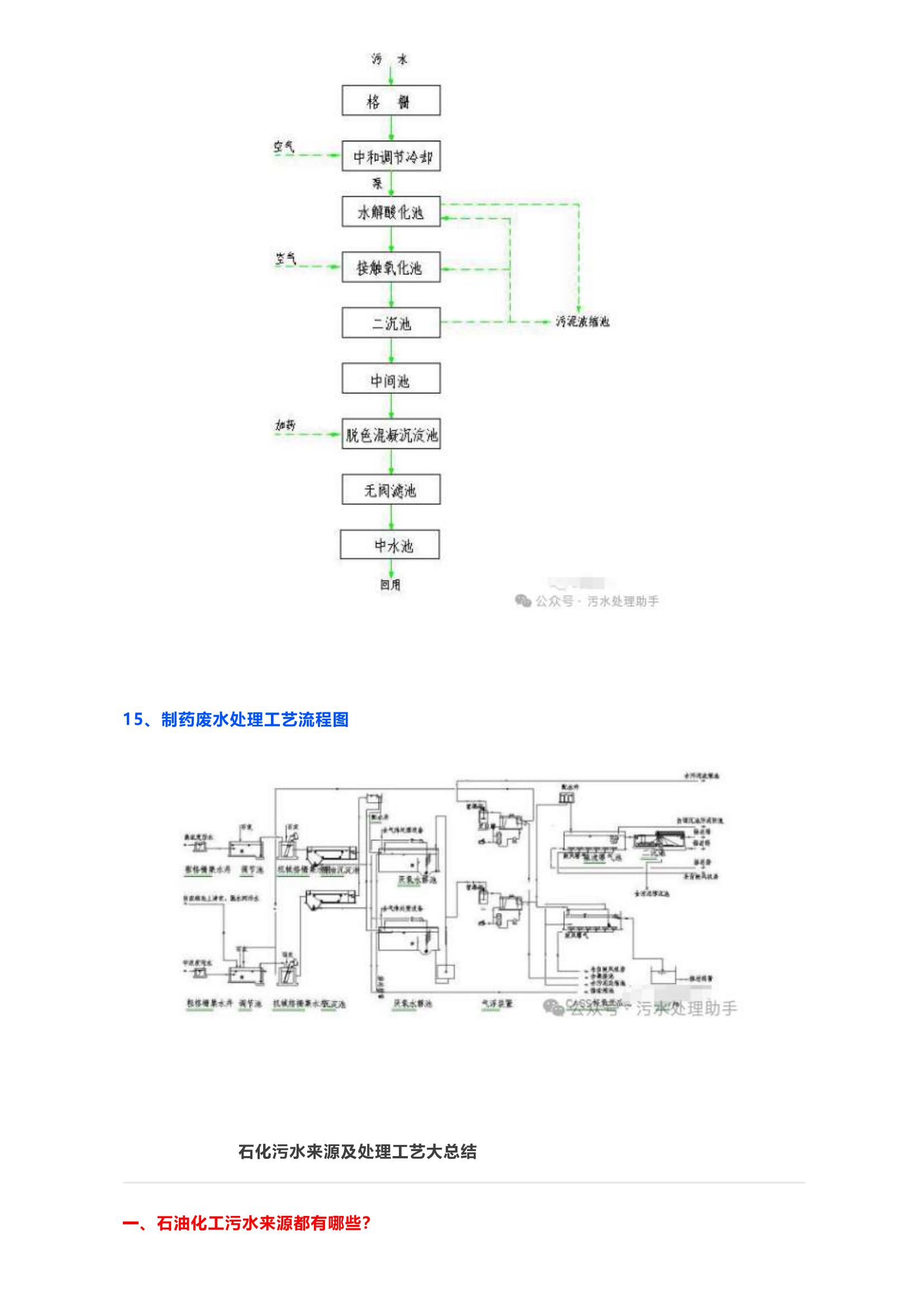
污水处理工艺类型知识点大全
发表时间:2024-05-10     阅读次数:     字体:【


 
上一篇:污泥含水率太难降?
下一篇:土壤污染风险评估的误区和争论
  • 客服热线:
  • 手机:15013895568(请说明来意)  
  • Email:cqx@hjhjcn.com